PT切換保護裝置-上海上繼科技有限公司
發表時間:2019-07-23 10:08 瀏覽次數:734 〖返回〗公司介紹:
上海上繼科技有限公司 是一家專業從事電力系統繼電保護及智能電網電力自動化產品的研發、設計、生產、銷售和服務為一體的高科技公司。公司依托國際大都市上海的優越環境,擁有資深繼電保護專家團隊,熟悉中國電網實際運行特點,聯合國內外**高校不斷引進國內外先進技術,積極響應市場的需求,技術不斷創新,堅持行業**地位,主要生產電力繼電器及微機綜合保護裝置,電力智能配電設備,變電站自動化監控系統。產品廣泛用于電力、工礦、鐵路、建筑等國家重大工程輸配變電系統上,產品遠銷東南亞及中東地區。
公司具備國內**的檢測儀器及校驗設備,建立了模擬運行老化系統,以精湛的技術嚴格的生產制造工藝,健全的生產管理體系,精耕細作,精益求精。產品通過國家繼電保護及自動化設備質量監督檢驗中心檢測,獲得ISO-9001:2000國際質量體系認證。
SJP-600E微機綜合保護裝置產品介紹
一、SJP-600E微機綜合保護裝置
特點
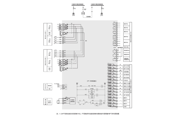
■集保護、測量、監視、控制、人機接口、通信等多種功能于一體;專門針對開關柜進行“單元化”設計,一臺裝置即可完成開關柜內電壓互感器的自動化功能,簡化了開關柜二次設計和施工,代替了各種常規繼電器和測量儀表,節省了大量的安裝空間和控制電纜。
■采用32位數字信號處理器(ARM) ,具有先進內核結構、高速運算能力和實時信號處理等優良特性,過去由于CPU性能等因素而無
法實現的保護算法可輕松實現。
■支持常規的RS485總線通信,- 一條總線最多允許掛接110個設備。
■全封閉金屬機箱,防水,防塵,并具有很強的抗靜電、抗電磁干擾和抗機械振動能力;既可分布式就地安裝在開關柜上,也可集中
組屏安裝;裝置結構合理,便于安裝、配線和調試。
■表面貼工藝,重要器件(如電源模塊、互感器、繼電器、液晶顯示屏、接線端子等)均采用國內外知名企業的成熟產品,平均無故
障時間達1000小時。
■完善的自檢能力,發現裝置異常能自動告警;具有自保護能力,有效防止接線錯誤或非正常運行引起的裝置永久性損壞;免維護設
計,無需在現場調整采樣精度,測量精度不會因為環境改變和長期運行引起誤差增大。
■國際通用輸入電源模塊,兼容85 ~ 264V交流或直流工作電源,更在電源跌落和電壓突變方面有出色表現。
■開關量輸入支持告警,用于瓦斯、溫度等重要保護。采用可設置變位確認時間窗技術,有效消除開關接點抖動和電磁干擾,保證遙
信正確率達100%。
■人機接口符合人機工程設計要求,帶背光大屏幕液晶,菜單化設計,可中英文顯示,合理化屏幕保護控制。測量數據、開關量狀態
形事件記錄保護定值、系統參數等。
■具有事件記錄功能,可記錄與電力系統安全運行相關的所有事件,時間分辨率小于1ms,可在線記錄事件90條,掉電不丟失,便于分析故障原因和診斷設備缺陷。
■具有多套保護定值區,特別適合于無人值班和電氣運行方式經常變化的場合。
二、SJP-600E微機綜合保護裝置
外形及開孔尺寸

三、SJP-600E微機綜合保護裝置
參數



四、SJP-600E微機綜合保護裝置
產品實拍




上海上繼科技有限公司(專注PT切換保護裝置生產廠家)銷售熱線:021-57233089 QQ:1932551438
(以上內容僅供參考,上海上繼科技有限公司有最終解釋權}
更多繼電器精彩文章→SJ23-31時間繼電器安裝及開孔尺寸





