絕緣監視繼電器生產廠家推薦-上海上繼科技有限公司
發表時間:2019-07-19 17:11 瀏覽次數:740 〖返回〗
上海上繼科技有限公司是一家專業從事電力系統繼電保護及智能電網電力自動化產品的研發、設計、生產、銷售和服務為一體的高科技公司。
公司依托國際大都市上海的優越環境,擁有資深繼電保護專家團隊,熟悉中國電網實際運行特點,聯合國內外**高校不斷引進國內外先進技術,積極響應市場的需求,技術不斷創新,堅持行業**地位,主要生產電力繼電器及微機綜合保護裝置,電力智能配電設備,變電站自動化監控系統。產品廣泛用于電力、工礦、鐵路、建筑等國家重大工程輸配變電系統上,產品遠銷東南亞及中東地區。
公司具備國內**的檢測儀器及校驗設備,建立了模擬運行老化系統,以精湛的技術嚴格的生產制造工藝,健全的生產管理體系,精耕細作,精益求精。產品通過國家繼電保護及自動化設備質量監督檢驗中心檢測,獲得ISO-9001:2000國際質量體系認證。
“科技創新,誠信務實”是公司的經營理念,上繼科技以售前技術支持,售后完善服務,在電力系統中樹立了良好的聲譽,深受各大設計院的認可,贏得輸配電成套企業的信賴。上繼科技本著對社會,對用戶高度的責任感,堅持走專業化道路,繼續創新超越,為我國智能電網電力自動化做出更大的貢獻!

JJJ-1直流絕緣監視繼電器用于直流母線電壓回路,監視直流母線絕緣水平,當直流母線絕緣下降到一定程度時, 該繼電器動作發出警告信號。
一、JJJ-1絕緣監視繼電器的開孔尺寸

二、JJJ-1絕緣監視繼電器的接線圖

三、JJJ-1絕緣監視繼電器的參數
直流額定電壓: 220V、110V、48V。
繼電器的平衡電阻和靈敏元件電阻值

繼電器動作值:當母線任何一側對地絕緣電阻下降到下表規定值時,繼電器應可靠動作。

觸點容量:當直流電壓不大于220V,電流不大于0.2A,直流有感負荷(時間常數為5±0.75ms) ,觸點斷開容量為20W.無感負荷40W。

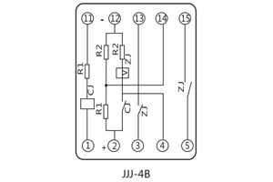
JJJ-4B靜態直流絕緣監視繼電器是我公司在原先的技術基礎上最新研發的新一代高靈敏度產品。該產品完全可以代替原電磁型常規型號無需改變任何線路,與電磁型相比更直觀、更可靠接線方式更多種方式遠遠滿足客戶需求。
一、JJJ-4B絕緣監視繼電器的接線圖

二、JJJ-4B絕緣監視繼電器的開孔尺寸

三、JJJ-4B絕緣監視繼電器的參數
電流和直流電壓: (220V、1.5mA);(110V、3.1mA) ; (48V、6.3mA)。
繼電器動作值:當母線任何一側對地絕緣電阻下降到下表值時,繼電器應可靠動作并有相應的動作指示。

功率消耗:在直流220V額定電壓下繼電器動作后的功率消耗不大于5W。
熱穩定性(過載能力):繼電器可長期承受110%額定電壓。
工作壽命:產品可靠工作壽命為104。
介質強度:在基準條件下,產品各導電部分連在一起,對外露非帶電金屬部分及外殼之間,能承受交流有效值2000V/50HZ的試驗電壓歷時1分鐘,無絕緣擊穿或閃絡現象。
觸點性能:在電壓不超過250V,電流不超過2A,時間常數為5±0.75ms的直流有感負荷電路中產品輸出的斷開容量為50W。在電壓不大于250V,電流不大于1A的交流電路中功率因數為0.4±0.1)斷開容量為250VA。
上海上繼科技有限公司(專注電力保護繼電器生產廠家)銷售熱線:021-57233089 QQ:1932551438
{以上內容僅供參考,上海上繼科技有限公司有最終解釋權}
更多繼電器精彩文章——DY-26D電壓繼電器技術數據及開孔尺寸
- 上一篇:絕緣監視繼電器生產廠家簡介
- 下一篇:差動保護廠家





